Blindzylinder 1531

Profil-Doppelzylinder - beidseitig blind

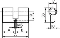
Produktbeschreibung

  • Zylinder Messing
  • Standard Oberfläche matt vernickelt (OF=MV)
  • Weitere Oberflächen matt gebürstet (OF=MG), Messing poliert (OF=MP)
  • Zylindergrundlänge 61 mm (C) - A/B (L=30/30) - weitere Baulängen lieferbar

Lieferumfang

  • 1 Blindzylinder
  • 1 Stulpschraube M5 x 85 mm

Bestellhinweis

  • Diesen Artikel bitte nicht mit Schließungsnummer bestellen - nicht schließender Artikel
Bestellbare Varianten
ArtikelnummerOF=L=
1531 MV 30/30
MG 30/30
MP 30/30