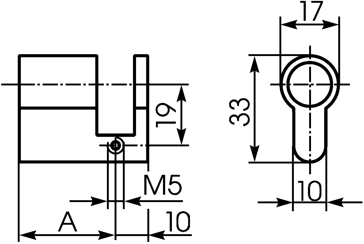
Blindzylinder 1532

Profil-Halbzylinder - blind

Produktbeschreibung

  • Zylinder Messing
  • Standard Oberfläche matt vernickelt (OF=MV)
  • Weitere Oberflächen matt gebürstet (OF=MG), Messing poliert (OF=MP)
  • Zylindergrundlänge A (L=30) - weitere Baulängen lieferbar

Lieferumfang

  • 1 Halbblindzylinder
  • 1 Stulpschraube M5 x 85 mm

Bestellhinweis

  • Diesen Artikel bitte nicht mit Schließungsnummer bestellen - nicht schließender Artikel
Bestellbare Varianten
ArtikelnummerOF=L=
1532 MV 30
MG 30
MP 30