Möbelzylinder - System MK5 2104
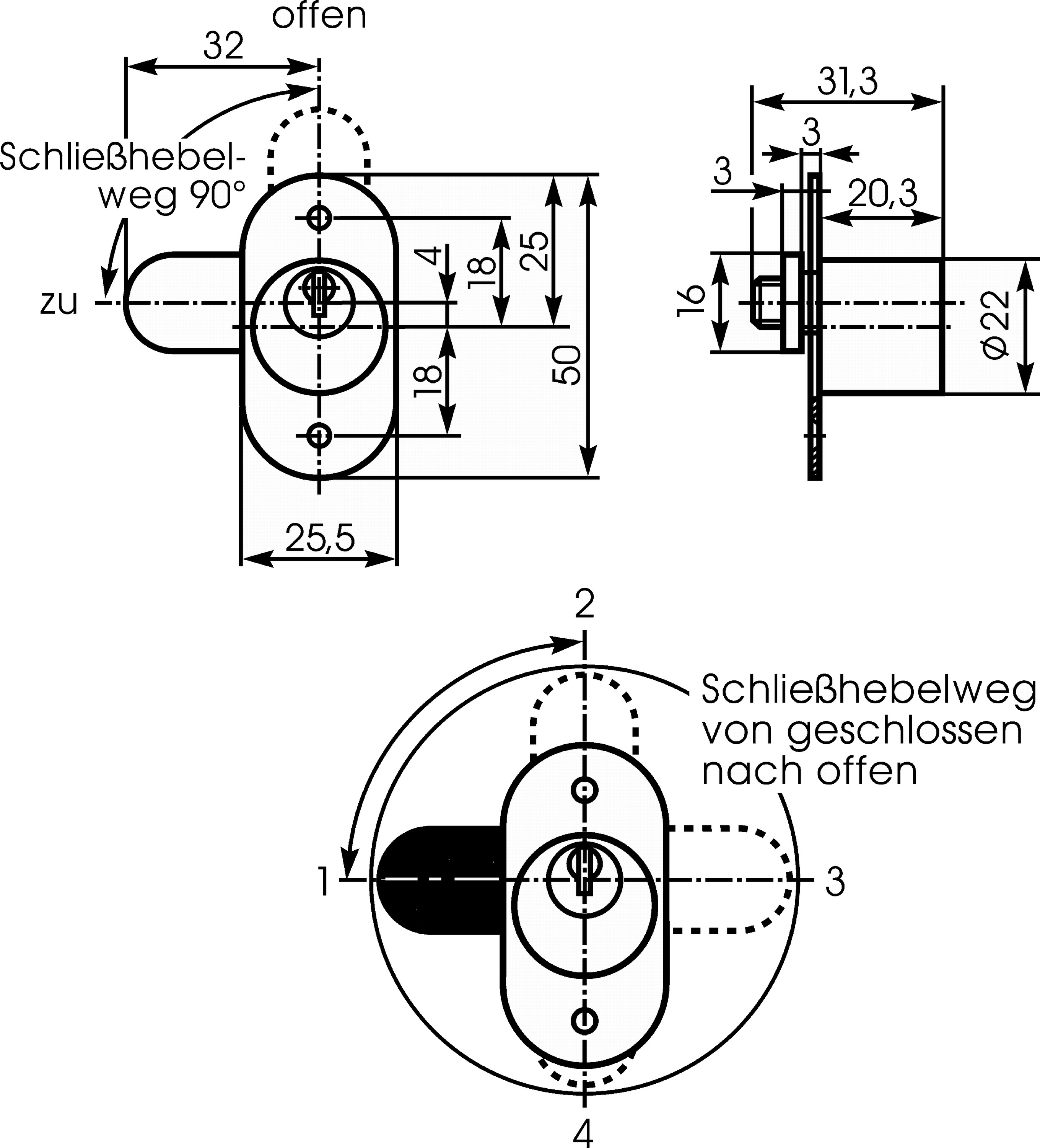
Durchmesser 22 mm mit Schließhebel

Hauptbild Produktbeschreibung
- 5 Stiftzuhaltungen
- Zylinder Messing
- Standard Oberfläche matt vernickelt (OF=MV)
- Weitere Oberflächen matt gebürstet (OF=MG), Messing poliert (OF=MP)
- Schließhebelweg 90°
- Schlüsselabzug nur wenn geschlossen
- Standard Schließhebel SLHB= 434794
- Lieferbar für Schließanlagen in Anlagenart H (AA=H)
- Lieferbar für Serienschließungen als Normalschließung (AA=NML) ohne Sicherungskarte
Lieferumfang
- 1 Möbelzylinder
- 2 kleine Neusilberschlüssel
- 1 Rosette
- 1 Kernmutter M8 x 1
- 1 Zahnscheibe J8,2 DIN 6797
Hinweis
- Kombinierbar nur mit Zylindern des Systems MK5
- Keine Sonderfärbungen erhältlich