Sicherung mit Kreuzprofil 3800
9-stiftige Kreuzprofilsicherung - für EMSE Blockschloss

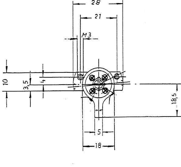
Hauptbild Produktbeschreibung
- Schließbartradius 18,5 mm
- Werkhöhe 14 mm
- Beidseitig schließbar
- Mit serienmäßigen Anbohrschutz
- Gehäuse Messing, Schließbart Stahl
- Befestigung mit 2 Schrauben
- Kreuzprofil- Schlüssel sind in verschiedenen Längen (SLL=) von 70 mm bis 130 mm erhältlich
- Lieferbar für neue Schließungen im Profil SE1K als Sperrschließung mit Sicherungskarte
- Verschieden- oder gleichschließend erhältlich
Lieferumfang
- 1 Sicherung
- 3 Kreuzprofilschlüssel, Länge 70 mm (A)
Hinweis
- Geeignet für den Einsatz mit IKON elektromechanischen Scharfschalteinrichtungen (EMSE)