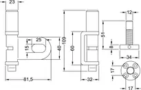
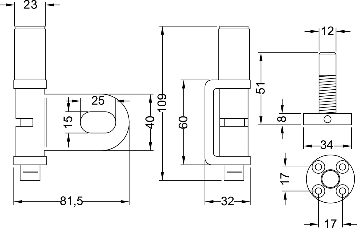
Fenstersicherung Jumbo für Hebeschiebetür 9M24
Mit Druckzylinder und zwei Schlüsseln - für Hebeschiebetüren

Hauptbild Vorteile auf einen Blick
- Speziell für Hebeschiebetüren
Produktbeschreibung
- Erschwert das gewaltsame Öffnen des Fensters durch Zuhaltung von innen
- Optische Verriegelungsanzeige über Druckzylinder
- Einfache Montage
- Unterschiedliche Falzhöheneinstellung über Gewindebolzen
- Lieferbar in den Färbungen weiß (FB=WS) ähnlich RAL 9016 und braun (FB=BN) ähnlich RAL 8019
- Material: Stahl
Lieferumfang
- 1 Druckzylinder
- 2 Schlüssel
- 1 Fenstersicherung Jumbo mit Befestigungsmaterial (2 Unterlegplatten 3 mm, 1 Sicherungsstift, Schrauben, Gewindebolzen, Anschraubrosette, Innensechskantschlüssel)
Hinweis
- Alle abschließbaren IKON Zusatzsicherungen mit Druckzylinder sind gleichschließend erhältlich