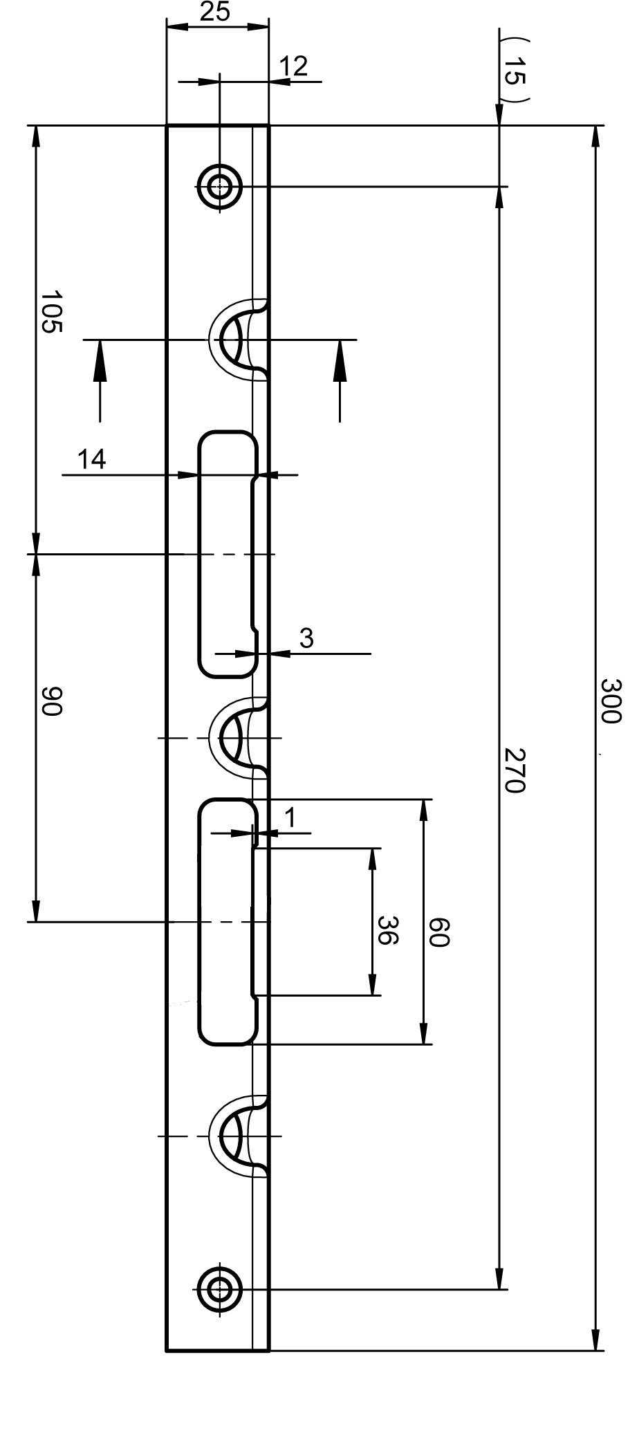
Winkel-Sicherheitsschließblech für überfälzte Türen 9M47,AUS=A/3

Mit drei Ankern - Winkelkante abgerundet

Produktbeschreibung

  • Für überfälzte Türen geeignet
  • Gesamtlänge 300 mm
  • Abmessung Riegelseite = 25 mm
  • Abmessung Schließblechstärke = 3 mm
  • In der Abmessung 300 x 25 x 25 mm erhältlich
  • Mit vier Anschraublochungen
  • Material: Stahl

Lieferumfang

  • 1 Sicherheitsschließblech mit Befestigungsschrauben
  • 3 Maueranker mit Kunststoffverschlussstopfen
Bestellbare Varianten
ArtikelnummerOF=
9M47 45256 VERZINKT
9M47 45261 Weiß
9M47 45262 BRAUN