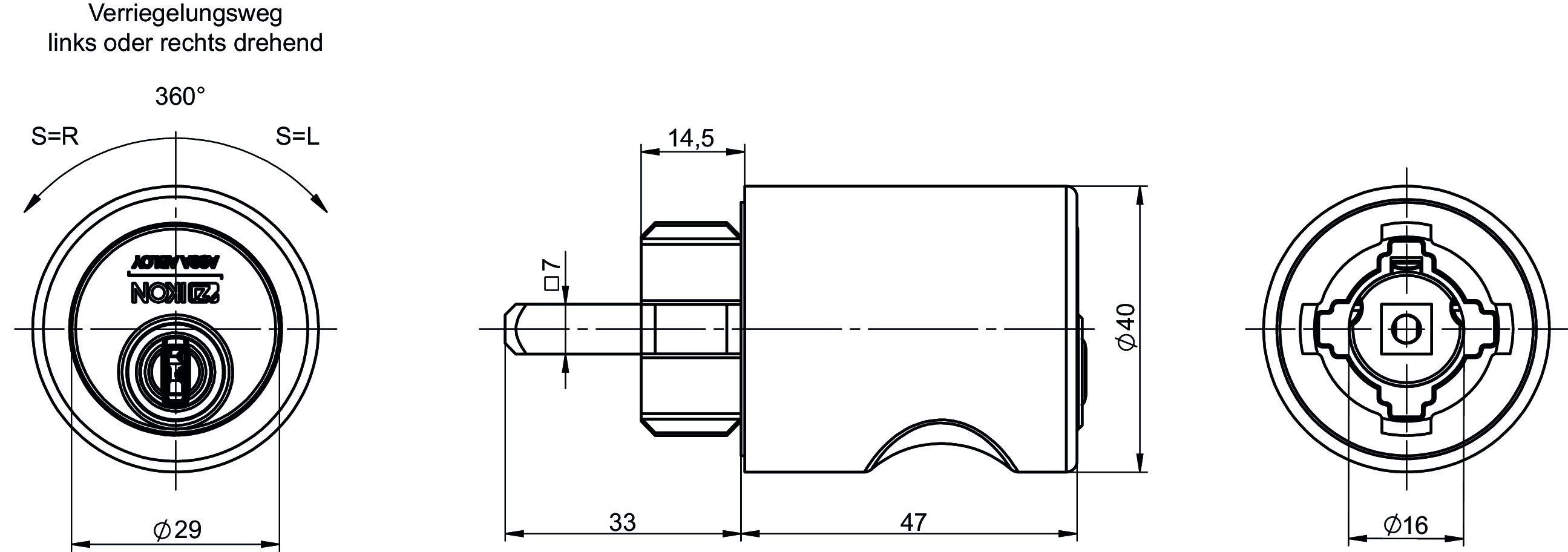
Möbelzylinder eCLIQ N184
Durchmesser 40 mm -ohne Schlüssel-
Produktbeschreibung
- Stromversorgung erfolgt ausschließlich über den Schlüssel (Keine Batterie im Zylinder)
- Wahlweise drehgesicherte oder elektronische Ausführung (V=) lieferbar
- Zylindergehäuseteile Messing
- Standard Oberfläche matt vernickelt (OF=MV)
- Gehäuse Polyamid oder Metall
- Standard Gehäusefärbung lichtgrau (FB=LGR)
- Optional weitere Gehäusefärbungen erhältlich: Weiß (FB=WS), matt vernickelt (FB=MV)
- Mit 7 mm Vierkantstift
- Befestigung mit Parkerschraube
- Mit Spezialrosette zur erleichterten Montage in Verbindung mit IKON Möbelschloss 8657 und Hülse 8068
- Wartungsfreier Zylinder
- Optional zum Einsatz in explosionsgefährdeten Bereichen der Zone 1 (ATEX=II 2G Ex ib IIC T4 Gb)
- Staub- und Regenschutzkappe erhältlich (SUR=1) IP55
Lieferumfang
- 1 Möbelolivenzylinder
Sonderbezeichnung
| Beschreibung | Info |
|---|---|
| Für Profilzylinder stirnseitig frei wählbare Sonderbezeichnung, bis zu 8 Stellen (SBZ=) | je Zylinder |
Explosionsschutz
| ATEX= | Beschreibung | Info |
|---|---|---|
| II 2G Ex ib IIC T4 Gb | Schließzylinder für explosions-gefährdete Bereiche der Zone 1 | je Zylinder |
Sonderoberfläche
| OF= | Anwendungsbereich | Info |
|---|---|---|
| MC | Für Profil- und Schließhebelzylinder | je Zylinder |
Staub- und Regenschutz
| SUR= | Anwendungsbereich | Info |
|---|---|---|
| 1 | Für Sonderzylinder | je Zylinder |
Ausführung
| V2= | AUS3= | Beschreibung | Info |
|---|---|---|---|
| OHNE AUDIT | Zylinder ohne Ereignisliste, stirnseitig beschriftet mit Symbol "§" | je Zylinder | |
| ONLINE | Zylinder mit Funktion "Online Open", stirnseitig beschriftet mit Symbol "@" | je Zylinder | |
| SEQUENCE | Zylinder mit Funktion „4-Augen Prinzip, getrennte Schlüsselgruppen“ , stirnseitig beschriftet mit Symbol „&“ | je Zylinder |
Gehäusefarbe für Möbeloliven
| FB= | Beschreibung |
|---|---|
| LGR | ähnlich RAL 7035 |
| WS | ähnlich RAL 9010 |
| MV | Metall |
| | Bestellnummer | Produkt |
|---|---|---|
| 8657 | Möbel- Espagnolette- Verschluss |
Allgemein
Zertifikate und Bescheinigungen
Medien
Anleitungen

Sie sind Endkunde und möchten unsere Produkte kaufen oder mehr darüber erfahren? Hier finden Sie den passenden Partner.

Sie sind bereits unser Partner, aber noch nicht im Kundenportal registriert. Bitte melden Sie sich dort an.

Sie möchten Partner werden? Hier finden Sie unsere Außendienstmitarbeiter für Ihr Gebiet.










