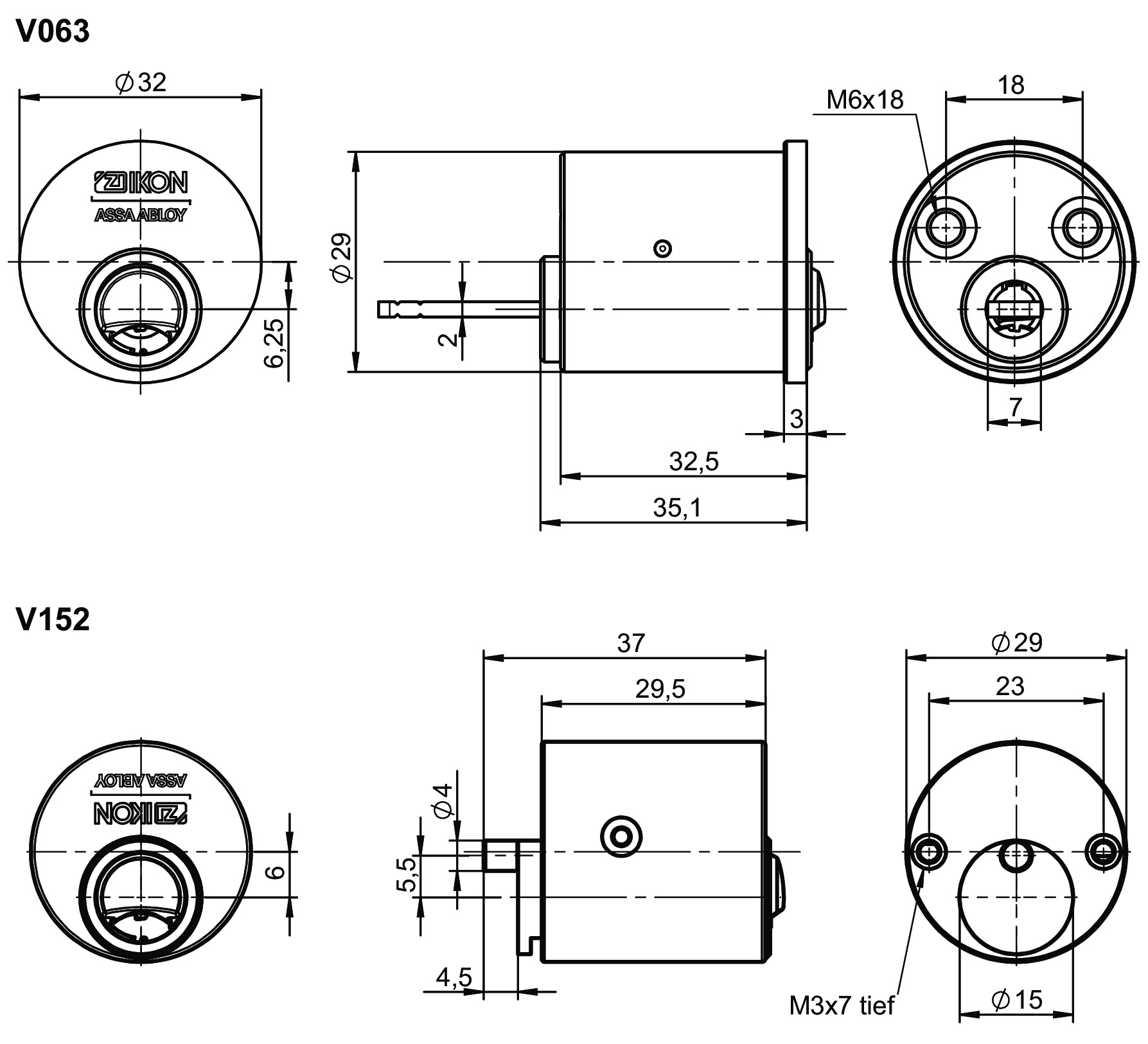
Außen- und Innenzylinder VERSO®CLIQ V933
Ohne Schlüssel
Produktbeschreibung
- Wahlweise mechanische oder elektromechanische Ausführung (V=) lieferbar
- Zylindergehäuseteile Messing
- Standard Oberfläche matt vernickelt (OF=MV)
- Zuhaltungssegmente mit verschleißfester Sonderlegierung
- Optional zum Einsatz in explosionsgefährdeten Bereichen der Zone 1 (Ex II 2G) ATEX=II 2G Ex ib IIC T4 Gb lieferbar
Lieferumfang
- 1 Außen- und Innenzylinder
- 1 Unterlegring
| Artikelnummer | OF= | V= |
|---|---|---|
| V933 | MV/MV | M/M |
| MV/MV | M/E1 | |
| MV/MV | E1/M | |
| MV/MV | M/E2 | |
| MV/MV | E2/M | |
| MV/MV | E1/E1 | |
| MV/MV | E2/E2 |
Anbohrschutz
| AB= | Anwendungsbereich | Info |
|---|---|---|
| 2 | Für Profil-Knauf-, Halb- und Sonderzylinder | je Zylinder |
Sonderoberfläche
| OF= | Anwendungsbereich | Info |
|---|---|---|
| MV | Für Profil- und Schließhebelzylinder | je Zylinder |
| MC | Für Profil- und Schließhebelzylinder | je Zylinder |
| MP | Für Profil- und Schließhebelzylinder | je Zylinder |
| MG | Für Profil- und Schließhebelzylinder | je Zylinder |
Ausführung
| V2= | Beschreibung | Info |
|---|---|---|
| OHNE AUDIT | Zylinder ohne Ereignisliste, stirnseitig beschriftet mit Symbol "§" | je Zylinder |




.webp)











