sFlipLock e-access Panik-Sicherheits-Einsteckschloss drückergesteuert 16576PBe-SV.3

Panikfunktion B, einwärts öffnend, selbstverriegelnd, ankoppelbarer Drücker, Auswertung Schlosskontakte

  • ArtNo: 14605714
  • EAN: 7630037132523

Vorteile auf einen Blick

  • Elektronisch ankoppelbarer Aussendrücker
  • Angebaute Motoreinheit mit integrierter Motorsteuerung für die Grundfunktion(auf/zu). Mit geschaltetem Ausgang, wenn das Schloss motorisch entriegelt ist.
  • Anzeige der Offen-Position und Rückmeldung an elektrische Türantriebe.
  • Öffnungssignal (GND) z.B. via Fingerprint, Taster, Zeitschaltuhr, usw
  • Elektrische Schnittstelle RS 485, z.B. für direkte Kommunikation via Biometriescanner und Fehlerspeicher. Manipulationsschutz Öffnungsimpuls nur noch via BUS.
  • Auswertung pontentialfreier Kontakte (AWS): Türzustand (Wechsler), Drücker Panikseite (Wechsler), Verzögerter Riegelkontakt (Wechsler), Riegelkontakt (Wechsler), Zylinderkontakt
  • Kippfalle ermöglicht eine leichte motorische Entriegelung, auch bei Verzug der Türe.
  • Umschalten Arbeitsstrom / Ruhestrom via DIP Schalter
  • Motorisches Öffnen unter 1,5 Sekunden
  • Geringer Stromverbrauch: 350 mA bei 24 V DC
  • Mechanische Selbstverriegelung
  • Zulassung nach SN EN 179
  • Zulassung nach EN 1634-1 bis 3 mit AWS
  • Zulassung nach EN 12209 Klasse 7
  • Zulassung nach EN 18251-2 Klasse 5
  • Einbruchhemmend bis Klasse RC2 in geeigneten Türsystemen erreichbar.

Produktbeschreibung

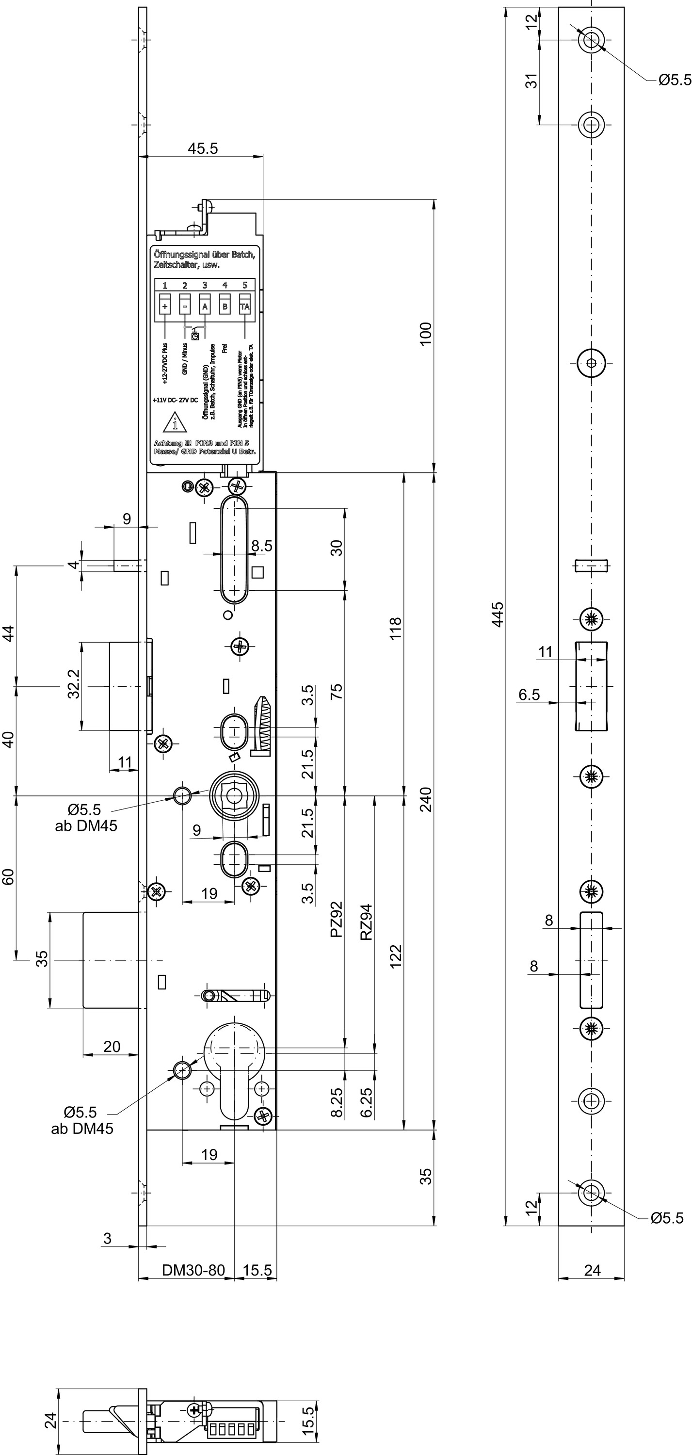
  • Das drückergesteuerte Einsteckschloss sFlipLock e-access, ist mit einer geteilten Drückernuss ausgestattet, so dass der Innendrücker angekoppelt und der Außendrücker nicht angekoppelt ist. Typischerweise wird auf beiden Türseiten ein Beschlag mit Türdrücker montiert. Das Verlassen bei verriegelter Türe, ist über den Innedrücker jederzeit möglich. Diese ziehen den Langriegel zurück und gleichzeitig wird die Kippfalle weich (Panikfunktion, einwärts öffnend). Beim Entriegeln von aussen via einen elektronischen Impuls, Fingerprint, Taster, Badge oder Zeitschaltuhr wird der Aussendrücker angekoppelt und der Riegel zunächst bis auf 5 mm eingezogen. Über den Türdrücker wird anschließend die Kippfalle freigegeben und das Schloss vollständig entriegelt. Bei verriegelter Tür ist eine Notöffnung von aussen über den Zylinder jederzeit möglich. Wenn die Türe schliesst, verriegelt das Schloss automatisch wieder (Selbstverriegelung).Dieses Schloss gibt es immer in Kombination mit einer Auswertesteuerung (AWS), sie dient dazu alle Kontakte des Motorschlosses sFlipLock e- access auswerten zu können. Das Motorschloss kann somit für definierte Zeiten geöffnet, geschlossen, in Tagstellung gefahren oder komplett verriegelt (gesperrt) werden. Die Versorgungsspannung für das Motorschloss wird ebenfalls von der AWS zur Verfügung gestellt. Im Notfallmodus (Netzausfall / Auslösung Brandmeldezentrale) wird das Motorschloss im geöffneten Zustand automatisch durch einen integrierten Puffer-Kondensator verriegelt. Beim separaten Sperreingang (verriegelt) werden alle Eingangssignale abgekoppelt, somit fährt das Motorschloss automatisch in Verrieglung.

Anwendungsgebiet

  • Zutrittskontrolle und Gebäudemanagementanwendungen inkl. Busanbindung
  • Öffentliche Gebäude, Banken, Justizanstalten, Spitäler (Schleusen)
  • Zutrittskontroll-, Sicherheits-und Feuerschutztüren im Objekt-und Industriebereich

Hinweis

  • Geeignet für Freilaufzylinder, nicht geeignet für externe Riegelkontakte. Für die U-Stulp Variante braucht es das Zubehör Unterlage B-15544. Dornmass 45/50/65 auf Anfrage. In Kombination mit einer Auswertesteuerung AWS (Art.Nr.14471401/02). Die AWS, das Anschlusskabel und die Schliessbleche müssen separat bestellt werden.
  • Rund-Rosetten (querverschraubt) erst ab Dornmass 45 mm.
  • Spezial Wechselprofilstift MSL 5968 verwenden.
  • Nur für Systempartner mit Schulungszertifikat.
Technische Daten
WechselfunktionNein
Riegelausschluss20 mm
Fallenicht umlegbar
Oberflächeverzinkt
Version1 Punkt Verriegelung
Material Fallerostfreier Stahl
Material Riegelrostfreier Stahl
PanikfunktionBe-SV
Oberfläche StulpINOX matt
Material Nussrostfreier Stahl
Drückernuss9, zweiteilig
ZusatzsicherheitKippfalle, Selbstverriegelung
Entfernung92 mm
DIN-RichtungLinks
Dornmaß70
Stulpformeckig
ZylindertypPZ – Profilzylinder
Stulpmaße445x24x3