sFlipLock e-drive, Drückergesteuert 16546PBa-SV.3
Panikfunktion B, auswärts öffnend, elektronisch ankoppelbarer Drücker
Vorteile auf einen Blick
- Elektronisch ankoppelbarer Aussendrücker
- Angebaute Motoreinheit mit integrierter Motorsteuerung für die Grundfunktion(auf/zu). Mit geschaltetem Ausgang, wenn das Schloss motorisch entriegelt ist.
- Anzeige der Offen-Position und Rückmeldung an elektrische Türantriebe.
- Öffnungssignal (GND) z.B. via Fingerprint, Taster, Zeitschaltuhr, usw
- Elektrische Schnittstelle RS 485, z.B. für direkte Kommunikation via Biometriescanner und Fehlerspeicher.
- Kippfalle ermöglicht eine leichte motorische Entriegelung, auch bei Verzug der Türe.
- Motorisches Öffnen unter 1,5 Sekunden
- Umschalten Arbeitsstrom / Ruhestrom via DIP Schalter
- Zulassung nach SN EN 179
- Zulassung nach EN 1125
- Zulassung nach EN 1634-1 bis 3 mit AWS
- Zulassung nach EN 12209 Klasse 7
- Zulassung nach EN 18251-2 Klasse 5
- Einbruchhemmend bis Klasse RC2 in geeigneten Türsystemen erreichbar
Produktbeschreibung
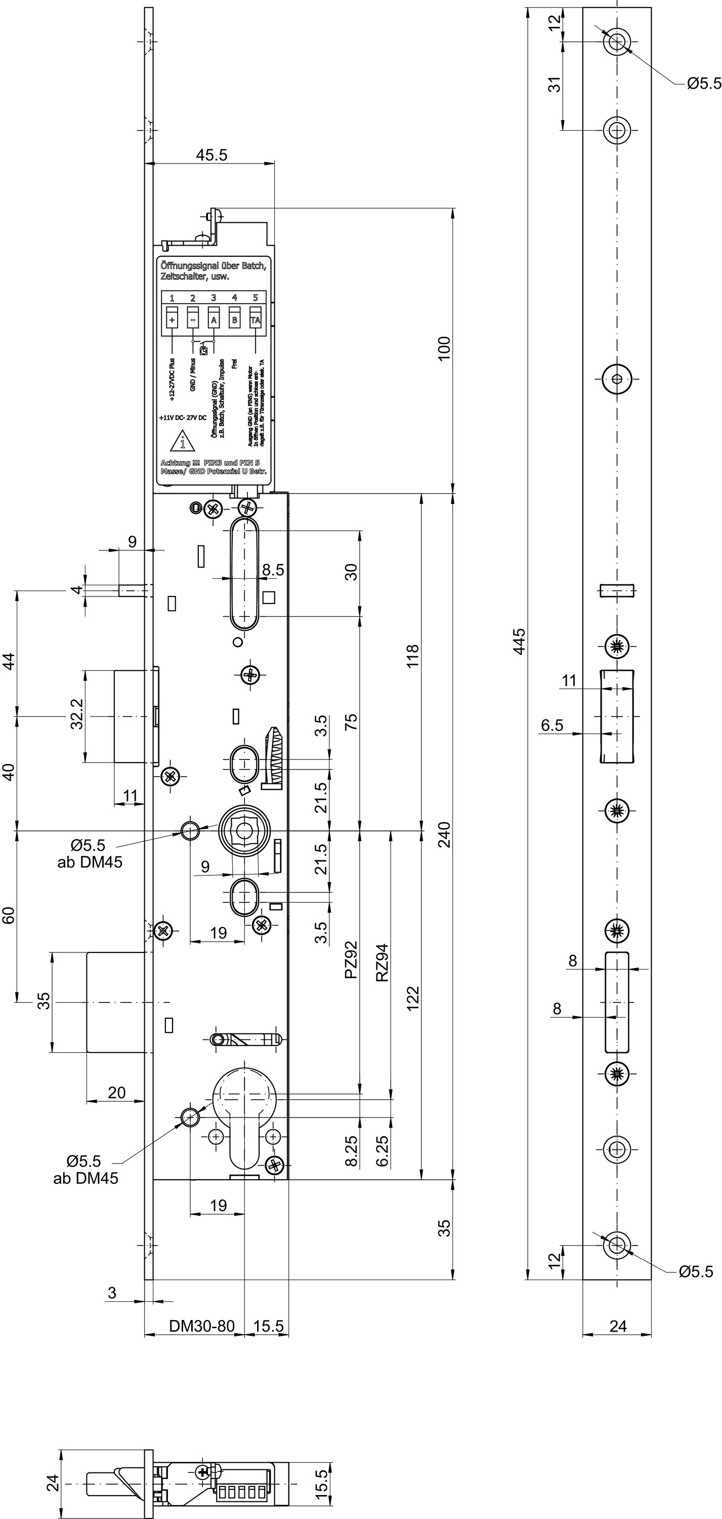
- Das drückergesteurerte Einsteckschloss sFlipLock e-drive, ist mit einer geteilten Drückernuss ausgestattet, so dass der Innendrücker angekoppelt und der Aussendrücker nicht angekoppelt ist. Typischerweise wird auf beiden Türseiten ein Beschlag mit Türdrücker montiert, wobei innen (in Fluchtrichtung) eine Panikstange oder eine Pushbar montiert werden kann. Das Verlassen bei verriegelter Türe, ist über den Innendrücker, eine Panikstange oder eine Pushbar jederzeit möglich. Diese ziehen den Langriegel zurück und gleichzeitig wird die Kippfalle weich (Panikfunktion). Beim Entriegeln von aussen via einen elektronischen Impuls, Fingerprint, Taster, Badge oder Zeitschaltuhr wird der Aussendrücker angekoppelt und der Riegel zunächst bis auf 5 mm eingezogen. Über den Türdrücker wird anschliessend die Kippfalle freigegeben und das Schloss vollständig entriegelt. Bei verriegelter Tür ist eine Notöffnung von aussen über den Zylinder jederzeit möglich. Wenn die Türe schliesst, verriegelt das Schloss automatisch wieder (Selbstverriegelung)
Anwendungsgebiet
- Im Hausinnenbereich, Büroräume, IT-Serverräume, Industriebereich und öffentlichen Gebäuden
- Sicherheits-, Fluchtweg- und Feuerschutztüren im Objektbereich
Hinweis
- Geeignet für Freilaufzylinder, nicht geeignet für externe Riegelkontakte. Für die U-Stulp Variante braucht es das Zubehör Unterlage B-15544. Dornmass 45/50/65 auf Anfrage. Anschlusskabel und Schliessbleche müssen separat bestellt werden.
- Rund-Rosetten (querverschraubt) erst ab Dornmass 45 mm.
- Spezial Wechselprofilstift MSL 5968 verwenden
Wechselfunktion | Ja |
Riegelausschluss | 20 mm |
Falle | nicht umlegbar |
Oberfläche | matt gebürstet |
Version | einflüglig |
Material Falle | Inox |
Material Riegel | Inox |
Panikfunktion | PBa-SV |
Oberfläche Stulp | Inox |
Material Nuss | Inox |
Drückernuss | 9, zweiteilig |
Zusatzsicherheit | Langriegel und Selbstverriegelung |
Entfernung | 92 mm |
DIN-Richtung | Rechts |
Dornmaß | 35 |
Stulpform | eckig |
Zylindertyp | PZ - Profilzylinder |
Stulpmaße | 445x24x3 |
| Bestellnummer | Produkt |
---|---|---|
Datenkabel_FlipLock_drive | Anschlusskabel (e-) drive / (e-) access | |
Netzteil 12 VDC 5A | zu m-und sFlipLock/(e)drive/(e)access | |
Reststrompuffer-Modul | Reststrompuffer-Modul zu sFlipLock und mFlipLock motorisch Reststrompuffer 10,7-27-V zu sFlipLock und mFlipLock motorisch | |
B-15544 | Unterlagsplatte für U-Stulp | |
BV-14421VF | VariFlex sFlipLock Schliessblech | |
BV-14421PF | ProfiFlex sFlipLock Schliessblech |